HOME
パソコン
スマホ
AviUtl
WordPress
Arduino
3Dプリンター
CA-SYSTEM
日記
パソコン、スマホ、マイコン、家電などの備忘録と日記。使えるところを簡潔に解説!
HOME
パソコン
スマホ
AviUtl
WordPress
Arduino
3Dプリンター
CA-SYSTEM
日記
HOME
>
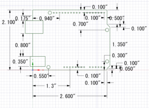
Arduino UNOの寸法(インチ)
2018/08/08
-
Twitter
Facebook
Google+
Pocket
B!
はてブ
LINE